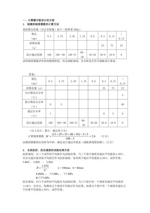
砂细度模数计算,先筛分出各粒径颗粒,测其质量占比。
机砂细度模数的计算是衡量机砂颗粒粗细程度的重要指标,对于建筑工程、混凝土配制等领域具有重要意义,以下将详细介绍机砂细度模数的计算方法、计算步骤、影响因素以及相关注意事项。
计算公式
机砂细度模数(Mx)的计算公式为:Mx = (A₂.₃₆ + A₁.₁₈ + A₀.₆ + A₀.₃ + A₀.₁₅ 5A₄.₇₅) / (100 A₄.₇₅),A₀.₁₅、A₀.₃、A₀.₆、A₁.₁₈、A₂.₃₆、A₄.₇₅分别表示机砂在0.15mm、0.3mm、0.6mm、1.18mm、2.36mm、4.75mm各筛孔上的累计筛余百分率。

计算步骤
-
准备筛网与样品:准备一套标准筛网,包括孔径为4.75mm、2.36mm、1.18mm、0.6mm、0.3mm、0.15mm的方孔筛,以及一定量的机砂样品,确保样品具有代表性,一般取样量不少于550g。
-
进行筛分实验:将机砂样品依次通过各个筛网进行筛分,筛分过程需按照从大孔径到小孔径的顺序进行,每个筛网的筛分时间应足够长,以确保筛分完全,筛分后,分别称量每个筛网上的筛余量,并记录数据。
-
计算累计筛余百分率:根据筛余量和样品总重量,计算每个筛孔的累计筛余百分率,4.75mm筛孔的累计筛余百分率(A₄.₇₅)=(4.75mm筛网上的筛余量÷样品总重量)×100%,同理可计算出其他筛孔的累计筛余百分率。
-
代入公式计算:将各筛孔的累计筛余百分率代入细度模数计算公式,即可得到机砂的细度模数。
(图片来源网络,侵删)
示例计算
假设对某机砂样品进行筛分实验后,得到各筛孔的累计筛余百分率如下表所示:
| 筛孔尺寸(mm) | 累计筛余百分率(%) |
|---|---|
| 75 | 10 |
| 36 | 25 |
| 18 | 35 |
| 6 | 20 |
| 3 | 8 |
| 15 | 2 |
根据公式计算细度模数:Mx = (25 + 35 + 20 + 8 + 2 5×10) / (100 10) = (90 50) / 90 = 40 / 90 ≈ 0.44,该机砂的细度模数约为0.44,属于细砂范畴。
影响因素
-
母岩性质:不同的母岩材质,其硬度、韧性等物理性质不同,在破碎制砂过程中,产生的机砂颗粒形状、粒度分布等会有差异,进而影响细度模数,花岗岩质地坚硬,破碎后得到的机砂颗粒相对较粗,细度模数可能较大;而石灰岩相对较软,制得的机砂细度模数可能偏小。
-
制砂工艺:制砂机的类型、破碎方式、转速等参数,以及是否采用整形工艺等,都会对机砂的颗粒形态和粒度组成产生影响,采用冲击式制砂机,通过调整转子转速、进料量等参数,可以在一定程度上控制机砂的细度模数。
(图片来源网络,侵删) -
筛分设备:筛分设备的筛孔尺寸精度、筛面面积、振动频率等,会影响筛分效果和各筛孔的累计筛余百分率,从而间接影响细度模数的计算结果,如果筛孔尺寸不准确或筛分不充分,会导致计算结果出现偏差。
注意事项
-
样品代表性:取样时应确保机砂样品能够代表整个砂堆或料场的砂质情况,避免因取样不均匀而导致计算结果失真。
-
筛分操作规范:筛分过程中要严格按照操作规程进行,保证筛分时间和筛分速度的一致性,以提高筛分结果的准确性。
-
数据处理准确:在计算累计筛余百分率和细度模数时,要仔细核对数据,确保计算过程无误,减小误差。
常见问题解答
Q1:细度模数越大,机砂就越粗吗? A1:细度模数越大,表示机砂中粗颗粒的含量越多,整体上机砂相对较粗,但需要注意的是,细度模数只是一个相对指标,不能完全准确地反映机砂的实际粗细程度,还需要结合其他指标如颗粒级配等综合判断。
Q2:如何根据细度模数选择合适的机砂用于混凝土配制? A2:普通混凝土用砂的细度模数范围一般在3.7 1.6之间,以中砂为宜,当细度模数在3.7 3.1时,为粗砂,配制的混凝土强度较高,但和易性相对较差;细度模数在3.0 2.3时为中砂,和易性较好,是最常用的混凝土用砂;细度模数在2.2 1.6时为细砂,配制的混凝土流动性较好,但强度可能会稍低。